无障碍
|
适老版
智能问答
智能问答
首页
工作动态
工作动态
通知公告
信息公开
工程建设
完工工程
在建工程
党群工作
党群动态
廉政建设
下载中心
您当前的位置:
首页
>
信息公开
>
其他
>
工作动态
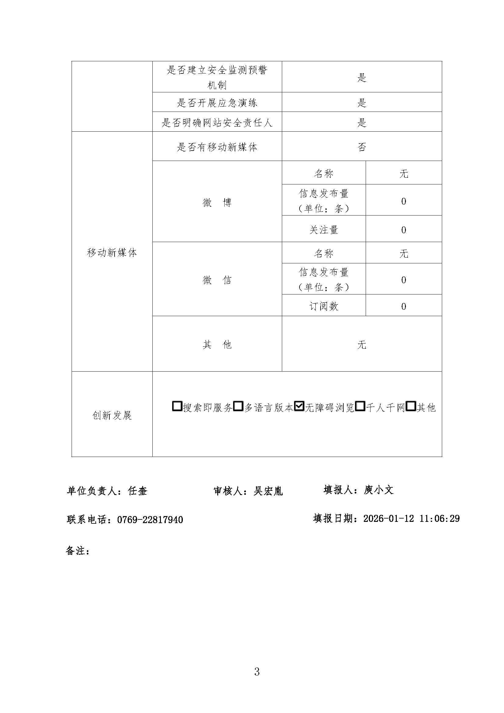
2025年市城建局政府网站工作年度报表
时间:
2026-01-12
来源:
本网
【字体:
大
中
小
】
分享到:
相关文件:
2025年市城建局政府网站工作年度报表.pdf
扫一扫在手机打开当前页
相关信息